PinMix

PinMix™

A comprehensive true summing routing matrix for both audio and DC-coupled control voltages that may form the central patching for any synthesizer system or a bridge between several diverse systems and outboard.

PinMix™ is a totally analogue design for fast and precise summing and is optimised for analogue quality. It is fully buffered with no loading effects, no digital scanning to breakthrough, no delays or software artefacts and no FET distortion

PinMix™ replaces a tangle of patch cables, mults, and many precision adders with one easy to visualise panel.

 
pinmix31-550

Custom 31x31 PinMix™

 

PinMix™ has balanced/unbalanced compatible inputs and outputs, extending its use beyond synthesizer patching to other audio routing applications, including multitrack and effects routing and headphone mixes.

The balanced rear panel multiway connectors are suitable for interfacing to DAW sound cards and panels or stage boxes within modular systems.

Various front panel connectors may be fitted with bantam/TT jacks recommended for cross patching with professional jackfields.

PinMix™ systems may be built in various sizes in 3U, 6U or 9U sub-racks with their own mains PSU. 15x15 and 31x31 matrices are standard and other sizes may be custom made. Special versions of our Trimmer module are used for input and output level control. Other modules may be integrated including metering, headphone and line drivers, microphone/line inputs and VCO calibration references.

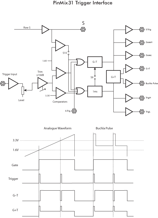
A universal Gate and Trigger Converter is included as standard which translates between the various incompatible standards usually encountered. More channels may be provided as separate modules.

 
pinmix31-550
 

Contact us for a quotation for a system built to your requirements.

 
PinMix

PinMix 15x15 with a Buchla disposition.

 

Downloads

 

Related Items

(Contact us for details.)

  • Additional Pins
  • Pin Parks
  • Moog S-Trigger cable
  • Multicore cable looms
  • Custom connector panels
 
Last updated: 28 September 2014