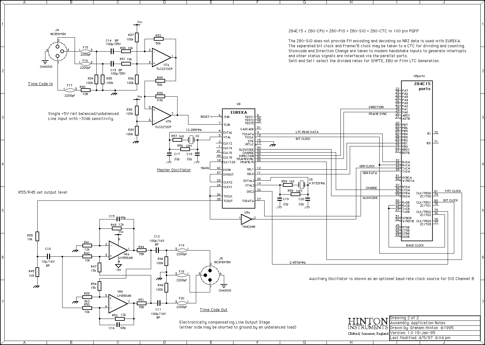
A SMPTE/EBU Longitudinal Timecode Coder/Decoder the size of a postage stamp with a performance exceeding all known products. This custom chip translates the FM encoded Time Code to and from separate Data and Clock signals suitable for use with any USART in synchronous mode (eg Z8530 SCC) or shift registers and counters in microprocessor-less applications.

EUREKA consists of the following sections giving many implementation options:
EUREKA is also suitable for use with the Z181/Z182 microprocessors for making compact handheld timecode products. Support code examples in Z80 assembler are provided on request.


Small quantities for evaluation and one off projects: