
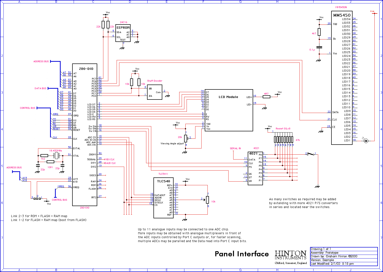
A digital I/O peripheral for the Z80/Z180 family that may also be used with other microprocessors. This circuit provides all the glue and ports to provide a sophisticated low component count control surface and is intended to support the panel requirements of high end musical instruments and pro audio equipment where the compromises of the consumer market are not acceptable.


Small quantities for evaluation and one off projects: